本建筑设计院-甘肃某污水管道设计案例
发布时间:2019-09-29 来源:建筑设计院 设计院 浏览:次
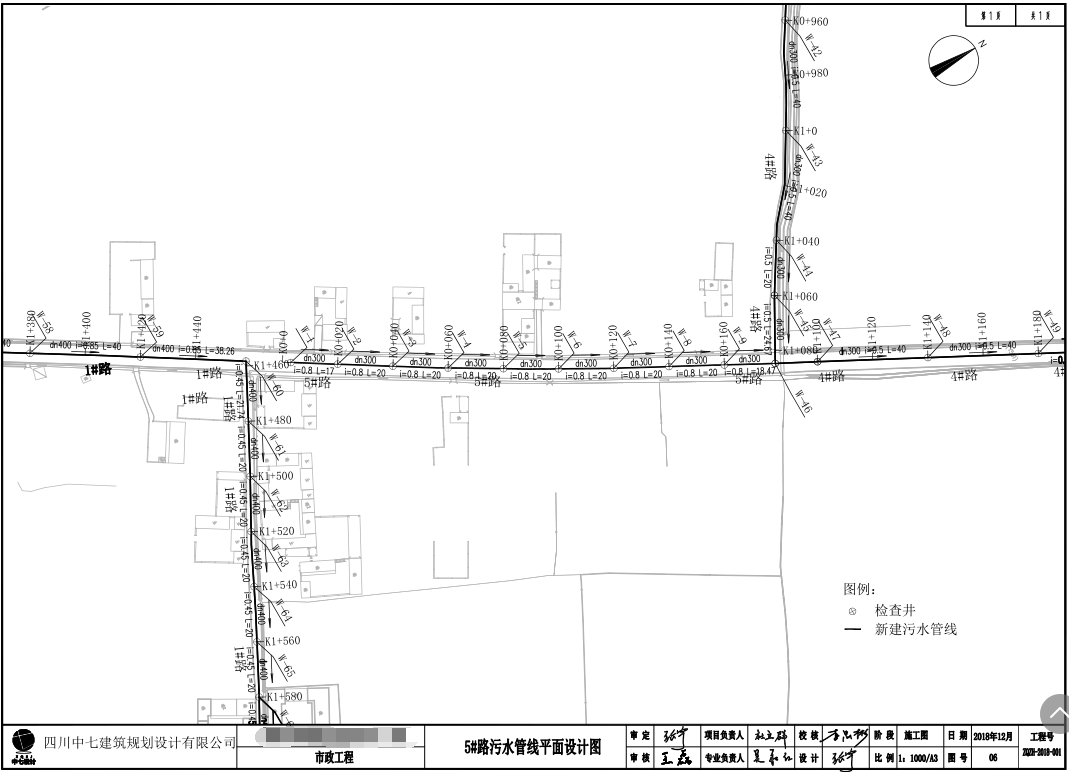
2018年11月,公司通过招投标中标甘肃省某污水管道施工图设计项目。本项目为甘肃省某城镇污水管网一期工程,管网全长6.07公里,共分7条支路污水管道,管径为 dn400-dn1200mm,管材为钢筋混凝土排水管。

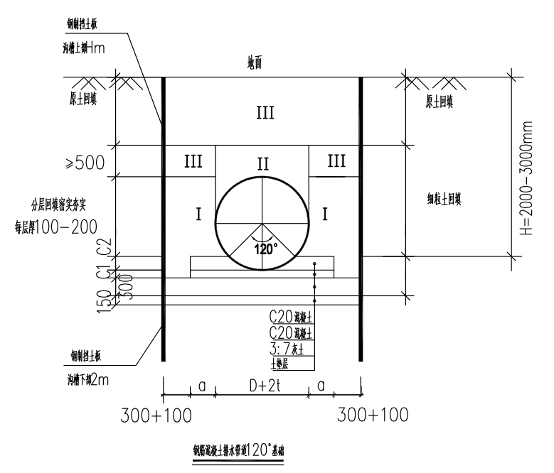
本工程按照甲方要求,考虑每户设置一个 2 方小型玻璃钢化粪池(不在本次设计范围内),本工程不再设置集中化粪池。污水管道均采用 II 级钢筋混凝土管。钢筋混凝土管管道基础采用 120°混凝土基础。接口采用承插式橡胶圈接口连接。
排水检查井间距按 20-40m 设置,并在有支管接入或改变坡度等处设置沉泥井,沉泥槽内底较最低管内底标高低 500mm。污水管线管径为 dn300、dn400 时,污水检查井选用Φ1000 圆形砖砌污水检查井(收口式)。
排水检查井所采用井盖在车行道荷载等级不应低于 D400 级,人行道及绿化带不应低于C250 级。并具有防盗、防响、防跳等功能。检查井位于车行、人行道路下时,井盖应与道路齐平,位于绿化带时应高于地面 0.20m。
管线平面设计图

管线纵断面设计图

坐标表

横断面图

钢筋混凝土排水管道基础

坡面示意图

上一篇: 结构设计案例分享:重庆某度假山庄结构设计
下一篇: 本建筑设计院-环境综合治理工程设计案例


18782111161
18782111161
226695569


















